sunes.pl
tag-img

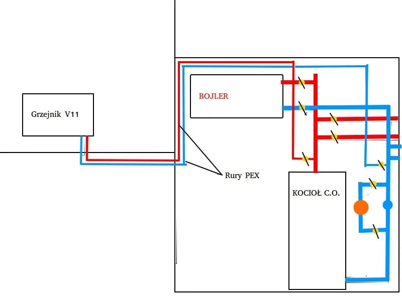
Tag jak zamontować grzejnik

1 / 1